
Ó¦ÓÃÐÎò
¾Ýͳ¼Æ£¬£¬£¬È«ÇòԼĪ50%µÄµçÄÜÓÃÓÚ¹¤Òµ±äƵÇý¶¯£¬£¬£¬Ö÷ÒªÓ¦ÓÃÓÚ·ç»ú¡¢±ÃºÍ¿ÕÆøÑ¹Ëõ»ú¡£¡£Í¨¹ý½ÓÄɱ䯵µ÷ËÙ×°Ö㬣¬£¬¶Ôµç»úµÄËÙÂʺÍת¾Ø¾ÙÐпØÖÆ£¬£¬£¬ÊµÏÖµç»úÔËÐÐÀú³ÌÓÅ»¯£¬£¬£¬¿ÉÏÔÖøµÄ½ÚÄÜ¡£¡£±äƵÆ÷Ó¦ÓùæÄ£¹ã£¬£¬£¬Ó¦ÓÃÇéÐβî±ð´ó£¬£¬£¬»áƵÈÔ·ºÆð¹ýÔØ¡¢ÖØÔصÈÔËÐÐ״̬£¬£¬£¬¿Í»§ÐèÒªÄ͹¦Âʹ¥»÷Ç¿¡¢ÄͶÌ·ÄÜÁ¦Ê±¼ä³¤¡¢ÇÒ¿É¿¿ÐԸߵÄIGBTÆ÷¼þ¡£¡£
CRMICRO ÐÂÒ»´ú 1200V IGBT²úÆ·£¬£¬£¬ÔÚ¹µ²ÛÕ¤µç³¡×èÖ¹ÊÖÒÕ(FS)»ù´¡ÉÏ£¬£¬£¬Õë¶Ôµç»úÇý¶¯ÏµÍ³Ó¦ÓÃÓÅ»¯ÁËоƬ½á¹¹£¬£¬£¬½ÓÄɸüΪÏȽøµÄ¼õ±¡¹¤ÒÕ£¬£¬£¬½µµÍÁ˹¦ÂÊÏûºÄ£¬£¬£¬ÔöÇ¿Á˳°ôÐÔ£¨Ç¿¶Ì·ÄÜÁ¦£©£¬£¬£¬Í¬Ê±ÌáÉýÁËIGBTÆ÷¼þµÄ¿É¿¿ÐÔºÍÉú²úÎȹÌÐÔ£¬£¬£¬´ó·ùÌáÉýÁËIGBTÆ÷¼þʹÓÃÊÙÃü¡£¡£
ͬʱÕë¶Ôµç»úÇý¶¯ÏµÍ³µÄ¸¨ÖúµçÔ´Ó¦Ó㬣¬£¬CRMICROÍÆ³öÁËÄÍѹ¸ß´ï1500VµÄMOSÆ÷¼þ²úÆ·£¬£¬£¬Îª¿Í»§Ìṩȫ¹¦Âʽâ¾ö¼Æ»®¡£¡£
²úÆ·ÌØÉ«
![]() | Æ÷¼þ¾ß±¸Ç¿µÄ¶Ì·ÄÍÊÜÄÜÁ¦ | ![]() | ³¬¸ßѹMOS Ä͹¥»÷Á¦Ç¿ | |
![]() | IGBT¾ß±¸µÍµÄµ¼Í¨ÏûºÄºÍ¿ª¹ØÏûºÄ | ![]() | Æ÷¼þ¾ßÓи߿ɿ¿ÐÔ£¬£¬£¬ÊÊÓÚ¹¤Òµ¼¶Ó¦Óà |
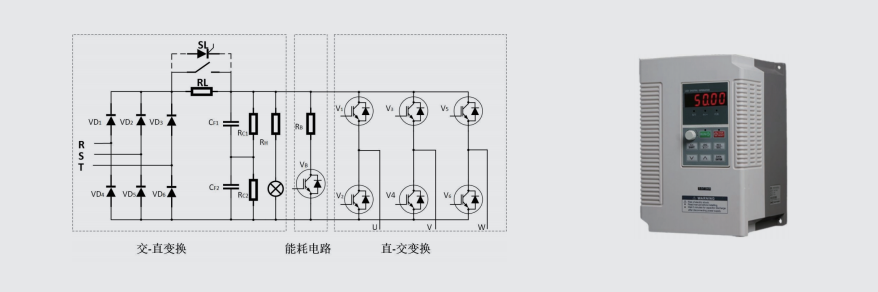
Ó¦ÓÃÔÀíͼ
µä·¶Ó¦ÓÃÍØÆËͼ

Ó¦ÓÃÑ¡ÐÍÍÆ¼ö
