1066vipÍþÄá˹

²úÆ·Óë¼Æ»®

     001.png 

1066vipÍþÄá˹(Öйú)ÓÐÏÞ¹«Ë¾-¹Ù·½ÍøÕ¾ Ó¦ÓÃÐÎò

   Ëæ×ÅÈËÃÇÉúÑÄˮƽµÄÌá¸ß£¬£¬£¬Îü³¾Æ÷ÕýÔÚÖйú¼ÒͥѸËÙµÄÆÕ¼°£¬£¬£¬ÈËÃǵÄÍ·ÄÔÒ²±¬·¢ÁËת±ä£¬£¬£¬ÏÖÔÚͨË×¼ÒÍ¥¶ÔÎü³¾Æ÷µÄÐèÇóÒ²ÊÇ´ó´óµÄÌá¸ßÁË¡£¡£¡£

  ÎÞË¢Âí´ï¡¢ÖÇÄÜ¿ØÖÆ¡¢´«¸ÐÆ÷¼°ï®µç³ØµÈÊÖÒÕµÄÒ»Ö±Éú³¤£¬£¬£¬µ¼ÖÂÎü³¾Æ÷Ó¦ÓöÔMOSFETÒªÇóÔ½À´Ô½¸ß£¬£¬£¬¹¦ÂÊÃܶÈÒ²Ô½À´Ô½´ó¡£¡£¡£

  CRMICRO ÌṩÊʺÏÓÚÎü³¾Æ÷Ó¦ÓõĵÍÄÚ×裬£¬£¬Ð¡Ìå»ýDFNϵÁзâ×°²úÆ·£¬£¬£¬¾ßÓÐ½ÏµÍµÄ FOM [QG *RDS(on£©] ʵÏÖÁ˺ÜÊǵ͵ĵ¼Í¨ºÍ¿ª¹ØÏûºÄ¡£¡£¡£±ðµÄ£¬£¬£¬¼«µÍµÄ¼ÄÉú²ÎÊýÄÜʵÏÖ¸ü¸ßµÄƵÂʺͺÜÊǸ߹¦ÂÊÃܶÈÉè¼Æ¡£¡£¡£×ÊÖúÖÆÔìÉÌΪÎü³¾Æ÷Éè¼ÆÊµÏÖÓÅ»¯¡¢¸ßЧµÄ½â¾ö¼Æ»®¡£¡£¡£

 

  ²úÆ·ÌØÉ«


1066vipÍþÄá˹(Öйú)ÓÐÏÞ¹«Ë¾-¹Ù·½ÍøÕ¾SJ »ùÓÚSGTƽ̨¿ª·¢£¬£¬£¬FOMÖµµÍ 1066vipÍþÄá˹(Öйú)ÓÐÏÞ¹«Ë¾-¹Ù·½ÍøÕ¾-40V-60Vµçѹ¶Î£¬£¬£¬¶à¹æ¸ñ²úÆ·¿É¹©Ñ¡Ôñ
1066vipÍþÄá˹(Öйú)ÓÐÏÞ¹«Ë¾-¹Ù·½ÍøÕ¾¿¹¹¥»÷ÄÜÁ¦Ç¿£¬£¬£¬ÊÊÓÃÓÚµç»úÇý¶¯ºÍBMSÓ¦Óà 1066vipÍþÄá˹(Öйú)ÓÐÏÞ¹«Ë¾-¹Ù·½ÍøÕ¾DFNµÈϵÁзâ×°ÆëÈ«£¬£¬£¬Öª×ãÎü³¾Æ÷²î±ðÐÎ×´ÐèÇó


 

 

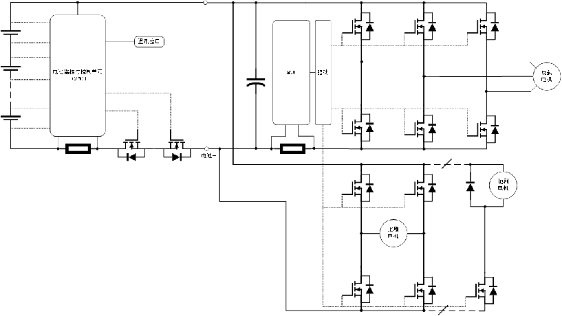
1066vipÍþÄá˹(Öйú)ÓÐÏÞ¹«Ë¾-¹Ù·½ÍøÕ¾ Ó¦ÓÃÔ­Àíͼ

 

       002.png    

 

 

 

  

1066vipÍþÄá˹(Öйú)ÓÐÏÞ¹«Ë¾-¹Ù·½ÍøÕ¾ µä·¶Ó¦ÓÃÍØÆËͼ

  003.png


 

1066vipÍþÄá˹(Öйú)ÓÐÏÞ¹«Ë¾-¹Ù·½ÍøÕ¾ Ó¦ÓÃÑ¡ÐÍÍÆ¼ö

004.png

 

 

²úÆ·Áбí
Îü³¾Æ÷
²úÆ·ÐͺвúÆ··â×° ²úÆ·ÖÖ±ð
-1 0 ¹²0Ò³ 0Ìõ¼Í¼ ÌøÖÁ£ºÒ³ È·¶¨
·µ»Øµ½Ê×Ò³ »Øµ½¶¥²¿
¡¾ÍøÕ¾µØÍ¼¡¿¡¾sitemap¡¿